产品详细描述
UCFS317
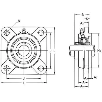
应用部件编号:UCFS317 尺寸 A (mm):54 尺寸 A0 (mm):80 尺寸 A1 (mm):27 尺寸 A2 (mm):24 尺寸 A3 (mm):20 尺寸 A5 (mm):106 尺寸 A7 (mm):18 尺寸 B (mm):96 尺寸 H3 (mm):220 尺寸 J (mm):204 尺寸 L (mm):260 尺寸 N (mm):31 尺寸 S (mm):40 轴径 (Φmm):85
UCFS317
应用部件编号:UCFS317 尺寸 A (mm):54 尺寸 A0 (mm):80 尺寸 A1 (mm):27 尺寸 A2 (mm):24 尺寸 A3 (mm):20 尺寸 A5 (mm):106 尺寸 A7 (mm):18 尺寸 B (mm):96 尺寸 H3 (mm):220 尺寸 J (mm):204 尺寸 L (mm):260 尺寸 N (mm):31 尺寸 S (mm):40 轴径 (Φmm):85